产品详情
产品参数
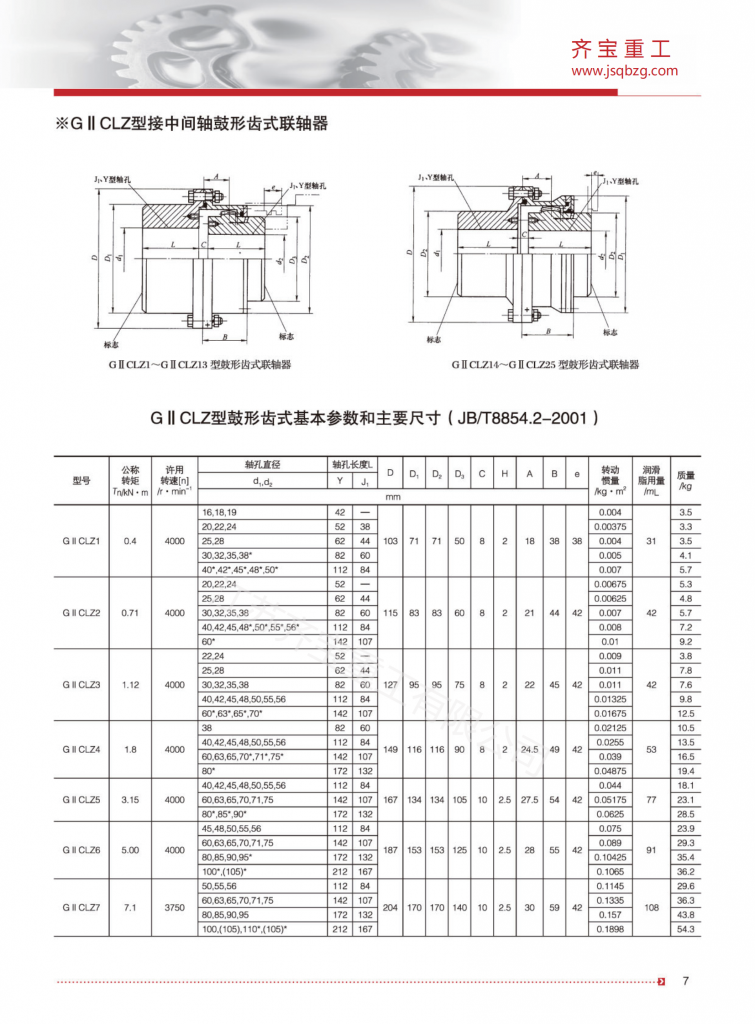
鼓形齿式联轴器属于刚性联轴器,具有径向、轴向和角向等轴线偏差补偿能力。结构紧凑、回转半径小、承载能力大、传动效率高、噪声低及维修周期长等优点,特别适用于低速重载工况,如冶金、矿山、起重运输等行业、也适用于石油、化工、通用机械等各类机械的轴系传动。


鼓形齿式联轴器属于刚性联轴器,具有径向、轴向和角向等轴线偏差补偿能力。结构紧凑、回转半径小、承载能力大、传动效率高、噪声低及维修周期长等优点,特别适用于低速重载工况,如冶金、矿山、起重运输等行业、也适...
鼓形齿式联轴器属于刚性联轴器,具有径向、轴向和角向等轴线偏差补偿能力。结构紧凑、回转半径小、承载能力大、传动效率高、噪声低及维修周期长等优点,特别适用于低速重载工况,如冶金、矿山、起重运输等行业、也适用于石油、化工、通用机械等各类机械的轴系传动。


COPYRIGHT © 江苏齐宝重工有限公司 版权所有 Sitemap 备案号:苏ICP备2021026616号-1